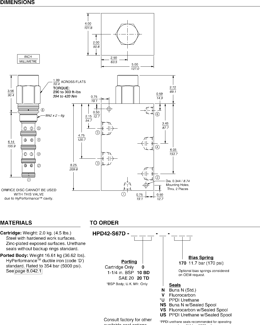
HPD42-S67D HyPerformance (HPD42-S67D)
A high-pressure, screw-in, cartridge-style, pilot-operated, spool-type, hydraulic directional valve.
Product Operation
When the HPD42-S67D is in neutral position, port 3 is blocked and flow is allowed between ports 2, 4 and 5. When remote pilot signal at 1 exceeds force of bias spring, the spool shifts to allow flow from 3 to 4 and from 2 to 5. When remote pilot signal at 6 exceeds force of bias spring, the spool shifts to allow flow from 3 to 2 and from 4 to 5.
Product Features
• Hardened spool and cage for long life.
• Flows up to 379 lpm/100 gpm.
• 1000 hour salt spray tested.
• Vibration tested (3-axis) to 20G RMS.
• HyPerformanceTM product tested to rigorous standards of NFPA specification T2.6.1.
• HyPerformanceTM valve tested at 90% verification level and 99% assurance.
Product Ratings
Operating Pressure: 350 bar (5075 psi); 10% cycle life: 420 bar (6090 psi)Note: All HyPerformance products are tested for 900K cycles at 350 bar and 100K at 420 bar
Fatique Rating: 2 million cycles at 420 bar/6090 psi.
Burst Pressure: 1380 bar (20000 psi)
Flow: 189 lpm (50 gpm); See Performance Chart
Maximum Internal Leakage: at 350 bar (5075 psi): 820 ml/minute (50 cu. in./minute)
Operating Temperature: -54° to 107°C (-65° to 255° F) with PPDI Urethane seals.
Ambient Temperature: -40° to 90°C (-40° to 194° F)
Filtration: See page 9.010.1
Fluids: Mineral-based or synthetics with lubricating properties at viscosities of 7.4 to 420 cSt (50 to 2000 sus); See Temperature and Oil Viscosity, page 9.060.1
Installation: No restrictions; See page 9.020.1
Note:
Adaptor lock kit HF P/N 4207540 (sold separately) may be required when pilot pressure exceeds 35 bar (500 psi).
Cavity: HVC42-S6; See page 9.142.1
Cavity Tool: HCT42-S6XX; See page 8.600.1
Seal Kits: HSK42-S6U-T0000 (PPDI Urethane). See page 8.650.1.


















